Traitement en cours...

Taraud trou borgne marque YAMAWA SP-VA 376 ISO2(6H) M14X2 HSS-E référence SG014QAGEX

Catégorie : Tarauds - trous borgnes (TAPCON_F_COR)

Référence COC : 728510

Référence fabricant : SG014QAGEX

Marque : YAMAWA

Prodfam : SP-VA

Prix de vente : 37,59 €/HT

Reduction : 32.00%

Prix de vente conseillé : 55,28 €/HT (par pièce)

Conditionnement : 1 pièce(s)

Classification des matières niveau 1(TMC1ISO) :
P
M

Stock EU : 16



Informations de recherche : [ADINTMS:Tap shank DIN -metric: 11.00 x 9.00][HAND:R][LF:110][MARQUE:YAMAWA][SUBSTRATE:HSS-E][TCTR:ISO2 (6H)][TDZ:M 14]

Caractéristique(s)  
(DIN_NUM) 376
Interface adaptative direction machine (ADINTMS) Queue de taraud DIN -metrique: 11.00 x 9.00
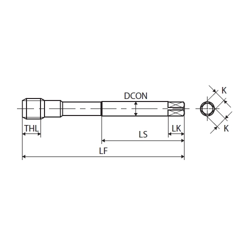
Longueur fonctionnelle (LF) 110 mm
Sens (HAND) R
Diamètre du filet (TD) 14 mm
Diamètre de connexion (DCONMS) 11 mm
Type de filet (FILET) M
Pas du filetage (TP) 2 mm
Diamètre d’alésage pré-usiné (PHD) 12.00 mm
Classe de tolérance du filet (TCTR) ISO2 (6H)
Diamètre du filet (TDZ) M 14
Code du type de sortie du liquide de coupe (CXSC) 0: no coolant exit
Substrat (SUBSTRATE) HSS-E
Nombre de goujures (NOF) 3
Longueur de filetage (THL) 18 mm
Type de chanfrein de filetage (THCHT) 2.5P
Longueur de serrage (LS) 56
DIN (DIN) DIN
Code ISO matière à usiner (TMC1_ISO) PM
Cote K (K) 9.00
Marque du produit (MARQUE) YAMAWA
Délai (DELAI) 10



ADINTMS : Queue de taraud DIN -metrique: 11.00 x 9.00