Traitement en cours...

Taraud main marque YAMAWA HT 5157 G1/8-28 F HSS-E référence T9G0020NEB2

Catégorie : Jeux de tarauds à main (COC_TAP_MAIN)

Référence COC : 727372

Référence fabricant : T9G0020NEB2

Marque : YAMAWA

Prodfam : HT DIN5157

Prix de vente : 17,23 €/HT

Reduction : 32.00%

Prix de vente conseillé : 25,34 €/HT (par pièce)

Conditionnement : 1 pièce(s)

Classification des matières niveau 1(TMC1ISO) :
P
K
N

Sur commande



Informations de recherche : [ADINTMS:Tap shank DIN -metric: 7.00 x 5.50][FILET:G][HAND:R][LF:63][MARQUE:YAMAWA][TDZ:G 1/8-28]

Caractéristique(s)  
(DIN_NUM) 5157
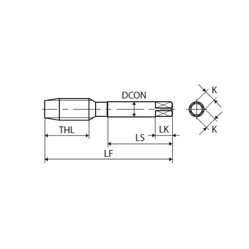
Interface adaptative direction machine (ADINTMS) Queue de taraud DIN -metrique: 7.00 x 5.50
Longueur fonctionnelle (LF) 63 mm
Sens (HAND) R
Diamètre du filet (TD) 1/8 mm
Diamètre de connexion (DCONMS) 7 mm
Type de filet (FILET) G
Pas du filetage (TP) 28 mm
Diamètre d’alésage pré-usiné (PHD) 8.75 mm
Diamètre du filet (TDZ) G 1/8-28
Code du type de sortie du liquide de coupe (CXSC) 0: no coolant exit
Substrat (SUBSTRATE) HSS-E
Nombre de goujures (NOF) 4
Longueur de filetage (THL) 19 mm
Type de chanfrein de filetage (THCHT) F
Longueur de serrage (LS) 32
DIN (DIN) DIN
Code ISO matière à usiner (TMC1_ISO) PKN
Cote K (K) 5.50
Marque du produit (MARQUE) YAMAWA
Délai (DELAI) 10



ADINTMS : Queue de taraud DIN -metrique: 7.00 x 5.50