Traitement en cours...

Taraud main marque YAMAWA HT 352 ISO2(6H) M6X1 V HSS-E référence TQ6.0MANEB5

Catégorie : Jeux de tarauds à main (COC_TAP_MAIN)

Référence COC : 727347

Référence fabricant : TQ6.0MANEB5

Marque : YAMAWA

Prodfam : HT DIN352

Prix de vente : 9,32 €/HT

Reduction : 32.00%

Prix de vente conseillé : 13,70 €/HT (par pièce)

Conditionnement : 1 pièce(s)

Classification des matières niveau 1(TMC1ISO) :
P
K
N

Sur commande



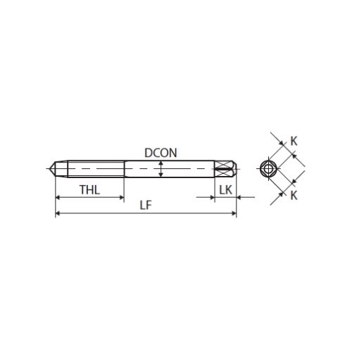
Informations de recherche : [ADINTMS:Tap shank DIN -metric: 6.00 x 4.90][FILET:M][HAND:R][LF:50][MARQUE:YAMAWA][TDZ:M 6]

Caractéristique(s)  
(DIN_NUM) 352
Interface adaptative direction machine (ADINTMS) Queue de taraud DIN -metrique: 6.00 x 4.90
Longueur fonctionnelle (LF) 50 mm
Sens (HAND) R
Diamètre du filet (TD) 6 mm
Diamètre de connexion (DCONMS) 6 mm
Type de filet (FILET) M
Pas du filetage (TP) 1 mm
Diamètre d’alésage pré-usiné (PHD) 5.00 mm
Classe de tolérance du filet (TCTR) ISO2 (6H)
Diamètre du filet (TDZ) M 6
Code du type de sortie du liquide de coupe (CXSC) 0: no coolant exit
Substrat (SUBSTRATE) HSS-E
Nombre de goujures (NOF) 3
Longueur de filetage (THL) 19 mm
Type de chanfrein de filetage (THCHT) V
DIN (DIN) DIN
Code ISO matière à usiner (TMC1_ISO) PKN
Cote K (K) 4.90
Marque du produit (MARQUE) YAMAWA
Délai (DELAI) 10



ADINTMS : Queue de taraud DIN -metrique: 6.00 x 4.90