Traitement en cours...

Pince de serrage marque FAHRION gamme GERC16-B diamètre 2.5 précision 5 µm référence 13713010250

Catégorie : Pince ER DIN6499-B (COC_PINCEER)

Référence COC : 292636

Référence fabricant : FAH13713010250

Marque : FAHRION

Prodfam : GERC16-B

Prix de vente : 26,09 €/HT

Reduction : 12.00%

Prix de vente conseillé : 29,65 €/HT (par pièce)

Conditionnement : 1 pièce(s)

Sur commande



Informations de recherche : [ADINTMS:ER collet (DIN6499-B) -ER16][ADINTWS:Cylindrical clamping -metric: 2.5 - 2.0][DCONNWS:2.0][MARQUE:FAHRION]

Caractéristique(s)  
(PRECISION_) 5 µm
Interface adaptative direction pièce (ADINTWS) Queue cylindrique -métrique: 2.5 - 2.0
Interface adaptative direction machine (ADINTMS) Pince ER (DIN6499-B) -ER16
Diamètre du raccord côté pièce (DCONNWS) 2.0 mm
Diamètre maximum raccord côté pièce (DCONXWS) 2.5 mm
Code du type de sortie du liquide de coupe (CXSC) 4: axial concentric on circle
Code du type d'orifice d'adduction du liquide de coupe (CNSC) 1: axial concentric entry
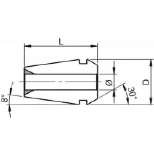
Diamètre du corps (D) 17 mm
Longueur Totale (L) 27.5 mm
Marque du produit (MARQUE) FAHRION
Délai (DELAI) 10



ADINTMS : Pince ER (DIN6499-B) -ER16
Attachement DIN69871

Attachement DIN69871
90 résultat(s)

Attachement MAS-BT403

Attachement MAS-BT403
153 résultat(s)

Attachement CAT-V

Attachement CAT-V
12 résultat(s)

Attachement DIN2080

Attachement DIN2080
1 résultat(s)

Adaptateur EH

Adaptateur EH
1 résultat(s)

Adaptateur HSK-A

Adaptateur HSK-A
102 résultat(s)

Adaptateur HSK-E

Adaptateur HSK-E
19 résultat(s)

Adaptateur HSK-F

Adaptateur HSK-F
4 résultat(s)

Pince ER DIN6499-B

Pince ER DIN6499-B
5 résultat(s)

Adaptateur CAPTO PSC

Adaptateur CAPTO PSC
40 résultat(s)

Porte-outils rotatifs

Porte-outils rotatifs
1 résultat(s)


ADINTWS : Queue cylindrique -métrique: 2.5 - 2.0